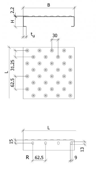
Limeni profil BN-G
BN-G limeni profil može se koristiti tamo gdje nije potreban otvoreni raster i gdje treba biti osigurana sigurnost kretanja u društvenoj obući.
| materijal | debljine lima |
| čelik vruće pocinčan čelik galvaniziran nehrđajući čelik aluminij | 2 i 2,5 mm prema upitu 1,5 i 2 mm 2 i 2,5 mm |
| razmak rastera R proizvodne duljine L širine B visine H savijanje ruba tu | 62,5 mm n x R, maks. 6000 mm 150, 200, 250, 300 mm 30, 50, 75, 100 mm cca 10 mm |

