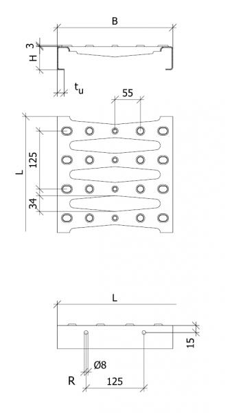
Limeni profil BR
BR limeni profil posebno je prikladan na mjestima s velikim opterećenjem na maloj površini opterećenja.
| materijal | debljine lima |
| čelik vruće pocinčan čelik galvaniziran nehrđajući čelik aluminij | 2 i 2,5 mm prema upitu 1,5 i 2 mm 2 i 2,5 mm |
| razmak rastera R proizvodne duljine L širine B visine H savijanje ruba tu | 125 mm n x R, maks. 6000 mm 150, 200, 250 mm 30, 50, 75, 100 mm cca 10 mm |

