Ljestvične prečke LSP
Fiksne čelične ljestve imaju široku primjenu u čeličanama, valjaonicama, rudnicima, u kemijskoj industriji i drugim pogonima gdje je naglasak na sigurnosti. Tvrtka Lichtgitter GmbH razvila je nekoliko profila ljestvičnih prečki koji osiguravaju sigurno penjanje. Za ljestve s prečkama promjera d 25 mm nudimo posebne prečke LSP 35 koje se postavljaju na postojeće i zavaruju na bočnu cijev promjera d 48,3 mm ili na kutnik 60 x 8 mm. Za izradu novih ljestava preporučujemo koristiti prečke LSP 50 u izvedbi G ili R.
Sve ljestvične prečke tvrtke Lichtgitter omogućuju sigurno kretanje čak i u ekstremnim radnim uvjetima. Ljestvične prečke se standardno isporučuju bez površinske obrade. Površinska obrada može se izvesti prema zahtjevu kupca.
LSP 25


| Ljestvična prečka LSP 25 | |
| oznaka | 800/25/39/2 mm |
| materijali | čelik S235JR nehrđajući čelik 1.4301 1.4571 aluminij AlMg3G22 |
| duljina | 800 mm |
| površinska obrada | sirovo |
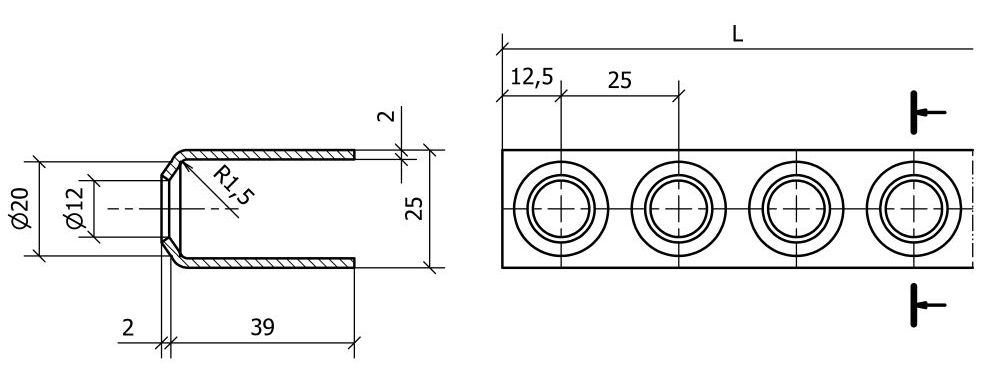
LSP 35


| Ljestvična prečka LSP 35 | |
| oznaka | 2000/35/34/2 mm |
| materijali | čelik S235JR nehrđajući čelik 1.4301 1.4571 aluminij AlMg3G22 |
| duljina | 2000 mm |
| površinska obrada | sirovo |
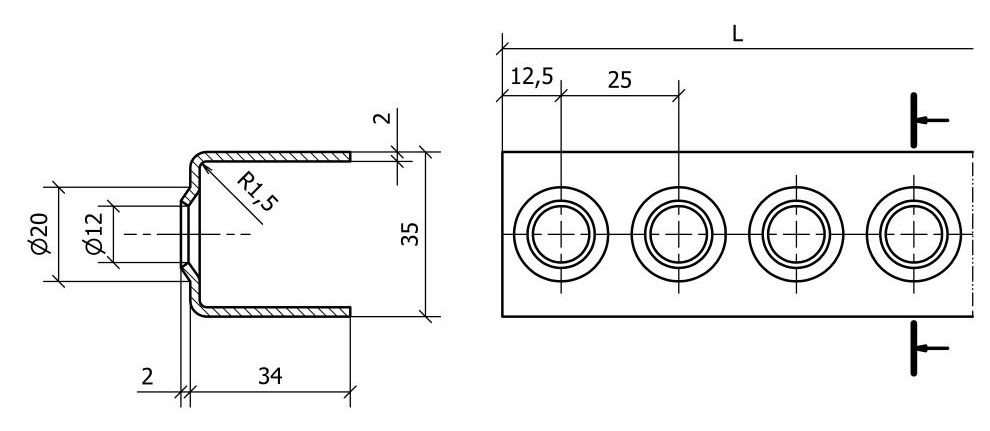
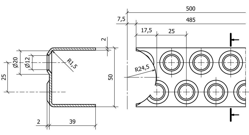
LSP 50


| Ljestvična prečka LSP 50 | |
| oznaka | 2000/50/39/2 mm |
| materijali | čelik S235JR nehrđajući čelik 1.4301 1.4571 aluminij AlMg3G22 |
| duljina | 2000 mm |
| površinska obrada | sirovo |
| LSP 50 G | 497/50/39/2 mm ravni završetak |
| LSP 50 R | 485/50/39/2 mm završetak s kružnim izrezom za cijev promjera 48,3 mm |