Perforated metal planks BP-U
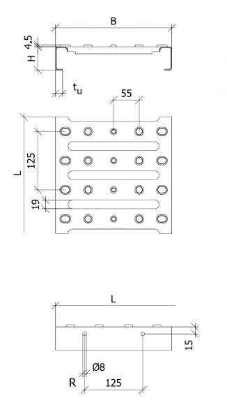
BP-U perforated metal plank is characterized by very good anti-slip properties and high load capacity.
| material | sheet thicknesses |
| steel hot-dip galvanized steel electro-galvanized stainless steel aluminium | 2 and 2.5 mm on request 1.5 and 2 mm 2 and 2.5 mm |
| grid spacing R production lengths L widths B heights H edge fold tu | 125 mm n x R, max. 6000 mm 250, 300, 400 mm 50, 75, 100 mm approx. 10 mm |

