LSP Ladder Rungs
Fixed steel ladders are widely used in steelworks, rolling mills, mines, the chemical industry and other plants where safety is emphasized. Lichtgitter GmbH has developed several ladder rung profiles ensuring safe climbing. For ladders with rungs of diameter d 25 mm, we offer special LSP 35 rungs that are fitted onto the existing ones and welded to a side tube of diameter d 48,3 mm or to an angle section 60 x 8 mm. For the production of new ladders, we recommend using LSP 50 rungs in version G or R.
All Lichtgitter ladder rungs provide safe movement even in extreme working conditions. Ladder rungs are supplied as standard without surface treatment. Surface treatment can be provided according to the customer’s request.
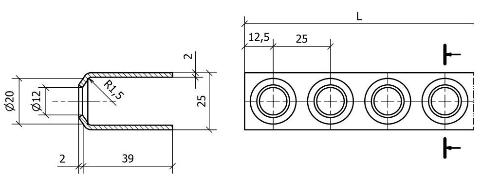
LSP 25


| Ladder rung LSP 25 | |
| designation | 800/25/39/2 mm |
| materials | steel S235JR stainless steel 1.4301 1.4571 aluminium AlMg3G22 |
| length | 800 mm |
| surface finish | mill finish |
LSP 35


| Ladder rung LSP 35 | |
| designation | 2000/35/34/2 mm |
| materials | steel S235JR stainless steel 1.4301 1.4571 aluminium AlMg3G22 |
| length | 2000 mm |
| surface finish | mill finish |
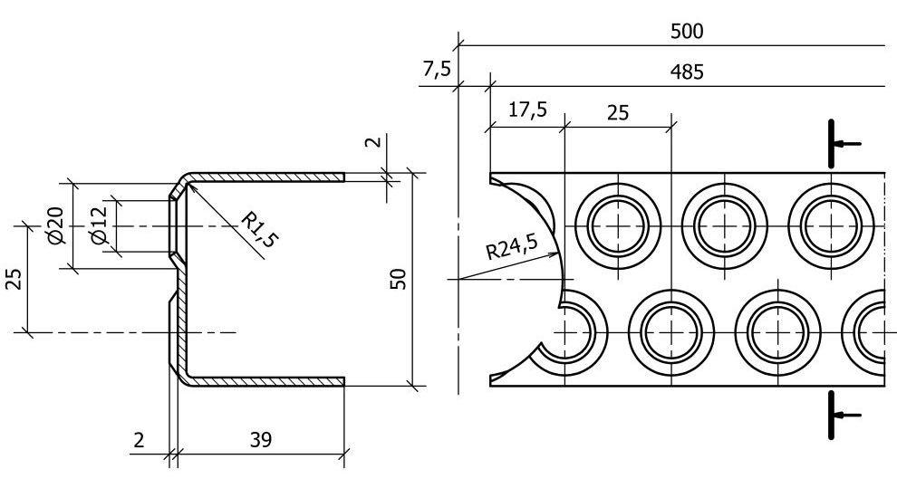
LSP 50


| Ladder rung LSP 50 | |
| designation | 2000/50/39/2 mm |
| materials | steel S235JR stainless steel 1.4301 1.4571 aluminium AlMg3G22 |
| length | 2000 mm |
| surface finish | mill finish |
| LSP 50 G | 497/50/39/2 mm straight end |
| LSP 50 R | 485/50/39/2 mm end with a circular cut-out for a tube with a diameter of 48,3 mm |